Лодочный мотор Suzuki DF 6AS

Лодочный мотор Suzuki DF 6AS, фото
Лодочный мотор Suzuki DF 6AS
5500.00 BYN
SUZ-DF6AS

Наши преимущества
  • — Различные способы оплаты
  • — Лучшая цена
Доставка
Варианты оплаты

Подвесной 4-х тактный бензиновый лодочный мотор Suzuki DF 6 AS — это четырехтактный лодочный мотор, обладающий одним цилиндром объемом 138 см³ и мощностью 6 л.с.

Подвесной лодочный мотор Suzuki DF 6 AS является блестящим примером того, как можно сочетать все достоинства 4-х тактных технологий (такие как экономичность и экологичность) с портативными размерами.

Технические характеристики включают в себя: самый большой по объему в своем классе цилиндр — 138 см³, хороший вращающий момент на низких и средних оборотах, автоматический ограничитель оборотов, цифровую систему зажигания со встроенной катушкой, которая постоянно контролирует момент и частоту зажигания и обеспечивает стабильность.

В 2016 году Suzuki представила новые модели моторов SUZUKI DF6A, DF5A, DF4A. Популярные ранее моторы серии DF4,5,6 перевоплотились в легкие и компактные модели DF4A,5A,6A с превосходной маневренностью.

Основные изменения в новых моделях:

  • Дизайн двигателя существенно изменен, стало возможно хранить и перевозить мотор на любом боку, изменился так же фирменный цвет двигателя.
  • Помимо обновленного внешнего вида новые моторы отличаются самым маленьким весом – 23,5 кг. (модель со стандартным дейдвудом S). Благодаря маленькому весу мотор прост в использовании, его легко переносить.
  • В системе смазки моторов добавлен еще один канал для смазки, идущий к верхнему и нижнему подшипнику коленчатого вала и шатуна.
  • Надежность системы смазки повышает впервые использованный в данном классе моторов масляный фильтр.
  • Увеличение эффективности работы мотора - коленчатый вал немного смещен по отношению от центра цилиндра.
  • Новая система подъема двигателя в моторах позволяет зафиксировать рычаг режима езды на мелководье в нескольких положениях.
  • Усовершенствованная ручка румпеля поглощает вибрацию (вибрация доставляет неудобства и утомляет при управлении мотором).
  • Благодаря тому, что поддон имеет уступ и интегрированную ручку, мотор теперь удобно держать двумя руками.
  • Для эффективной борьбы с коррозией используется покрытие с особой формулой, которое накладывается непосредственно на алюминиевый сплав, что обеспечивает максимальную связку металла и покрытия.

Современные лодочные двигатели Suzuki разрабатываются с учетом требований и пожеланий реальных пользователей. 4-х тактные лодочные моторы Suzuki созданы таким образом, чтобы максимально упростить их повседневное использование.

* Для подключения и зарядки аккумулятора установочный комплект приобретается отдельно.

Рекомендуемая свеча: NGK DCPR6E / NGK BKR6E / NGK CPR6EA-9.

Штатный винт: 3х7-1/2х7*.

Шаг винта, дюймы: 6" - 7".

Маркировка моделей:

  • DF ─ четырехтактный двигатель.
  • A ─ модели нового поколения двигателей.
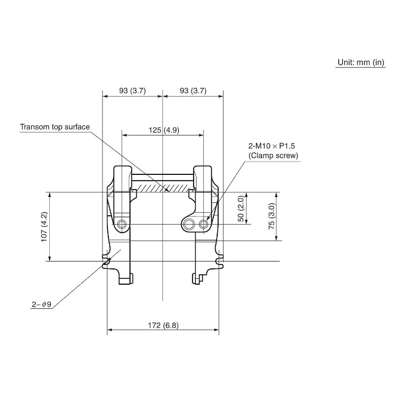
  • S ─ длина дейдвуда ─ 381 мм.

Комплект поставки:

  • мотор, шт. - 1;
  • гребной винт, шт. - 1;
  • чека аварийной остановки двигателя, шт. - 1;
  • трос аварийного запуска, шт. - 1;
  • инструменты, компл. - 1;
  • инструкция по эксплуатации, шт. - 1.

Примечание

* Производитель оставляет за собой право на внесение изменений в конструктивные особенности товара, его комплектацию и дизайн.

Пожалуйста, перед совершением покупки сверяйте характеристики интересующего вас товара, в том числе и информацию о наличии данной позиции.



Юридическая информация

*Информация по гарантийным обязательствам предоставлена заводом изготовителем и может отличаться от условий, предоставляемых региональными дилерами.
**Внешний вид и конструкция могут отличаться от изображения на сайте.
***Мы настоятельно рекомендуем пользоваться опубликованной информацией в качестве основного обзора товара, и при совершении покупки, уточняйте параметры у нашего консультанта.

ПроизводительSuzuki
Генератор, А/Вт.12V 5A (доп. опция*)
Тактность4
Мощность л.с.6
Диапазон макс. оборотов двигателя, об/мин.4750-5750
Количество цилиндров1
Рабочий объём, cм³138
Диаметр цилиндра60.4
Система зажиганияCDI
Система смазкиЦиркуляционная
Тип запускаРучной
Вес сухого мотора, кг.23.5
Система охлажденияЗабортной водой + термостат
Выхлопная системаНад гребным винтом
Система рулевого управленияРумпельное
Переключение передачПередний ход - Нейтральное положение - Задний ход (F-N-R)
Регулировка дифферентаРучное
Передаточное отношение1.92:1
Требования к маслуSAE 10W40
Высота транца381
Системы предупрежденияИндикатор низкого уровня масла
Материал винтаАлюминиевый
Требования для топливаАИ-92
Топливный бак, л.1
Совместимость с системой SmartCraftНет
Левое вращениеНет
Электронный впрыск топливаОтсутствует



Лодочные моторы
Двигатель
бензиновый
Тип двигателя
4-х тактный
Количество цилиндров
1
Объем двигателя, см3
68
Емкость топливного бака, л.
1
Мощность, л.с.
2.5
Пуск
ручной
Система подачи топлива
карбюратор
Высота транца, мм
381
Максимальный вес лодки, кг
13

Сообщения не найдены

Вы пользовались продуктом?

Расскажите нам что-нибудь об этом и помогите другим принять правильное решение

Написать отзыв

С этим товаром часто покупают

Консультация специалиста

При заказе посоветуем лучший товар под ваши запросы и бюджет

Быстро и качественно доставляем

Наша компания производит доставку по всей Беларуси и ближнему зарубежью

Гарантия качества и сервисное обслуживание

Мы предлагаем только те товары, в качестве которых мы уверены

иконка телефона
иконка telegram
иконка viber

иконка телефонаСвязаться