Карбюратор для SEA-PRO F5

Карбюратор для SEA-PRO F5, фото
Карбюратор для SEA-PRO F5
400.00 BYN
562-07001
Наши преимущества
  • — Различные способы оплаты
  • — Лучшая цена
Доставка
Варианты оплаты

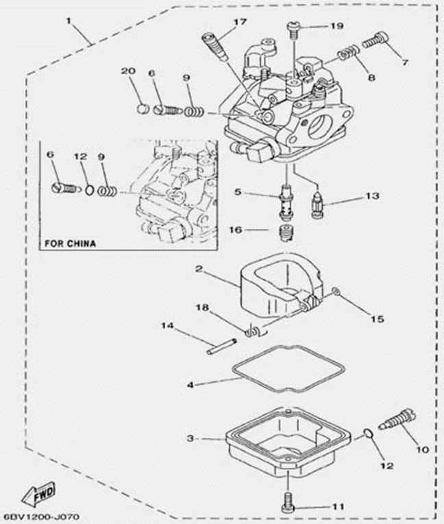
Карбюратор для 4-х тактного лодочного мотора - это устройство, которое используется для смешения воздуха и топлива в определенных пропорциях, чтобы обеспечить правильную подачу топлива в цилиндры двигателя. Он состоит из корпуса, дроссельной заслонки, форсунки, поплавковой камеры, системы регулировки и других компонентов.

Дроссельная заслонка отвечает за регулирование потока воздуха, который поступает в карбюратор, а форсунка - за распыление топлива в этот поток. Поплавковая камера служит для хранения топлива и поддержания его уровня, а система регулировки позволяет настроить соотношение воздуха и топлива для оптимальной работы двигателя.

Важно отметить, что правильная работа карбюратора зависит от его настройки и регулярного технического обслуживания. Неправильная настройка или неисправности в работе карбюратора могут привести к неэффективной работе двигателя или его поломке.

Бренд
Sea-Pro

Сообщения не найдены

Вы пользовались продуктом?

Расскажите нам что-нибудь об этом и помогите другим принять правильное решение

Написать отзыв

С этим товаром часто покупают

Консультация специалиста

При заказе посоветуем лучший товар под ваши запросы и бюджет

Быстро и качественно доставляем

Наша компания производит доставку по всей Беларуси и ближнему зарубежью

Гарантия качества и сервисное обслуживание

Мы предлагаем только те товары, в качестве которых мы уверены

иконка телефона
иконка telegram
иконка viber

иконка телефонаСвязаться